
Projects That Define Our Expertise
Explore a comprehensive collection of our completed and ongoing projects, showcasing our capabilities across design, engineering, and visualization. Each project highlights our approach, technical proficiency, and commitment to delivering accurate, high-quality solutions tailored to client requirements.
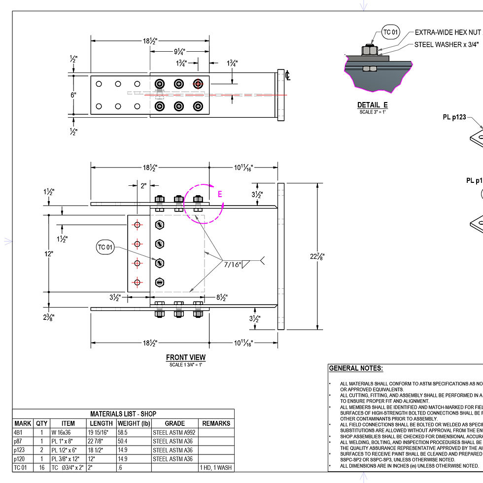
LaGuardia Community College
Shop & Fabrication Drawings
LaGuardia Community College Rooftop Signage was a fully engineered, three-story-tall installation delivered as a complete design-build package. SD Industries produced over 900 pages of shop and engineering drawings, including stamped structural calculations to meet wind load and rooftop safety requirements. The signage was fabricated in modular sections, craned to the rooftop, and precisely assembled on site to achieve long-term structural stability and visual impact.




Mahatma Gandhi Peace Memorial Garden
Architectural Design Services
The proposal envisions a Mahatma Gandhi Memorial Park with monuments and pathways inspired by his principles of nonviolence, truth, and welfare for all, creating an interactive space for reflection and learning.




Amtrak Brattleboro
10 Vernon Road, Brattleboro, VT 05301
Engineering Services, Shop & Fabrication Drawings
Sigange + Gate + Bicycle Shelter /rack
At the Amtrak Brattleboro Station in Brattleboro, Vermont, SD Services provided engineering services and prepared shop and fabrication drawings, followed by the fabrication and installation of custom signage, access gates, and a bicycle shelter with integrated racks. The scope was executed in coordination with project requirements to support durability, functionality, and a clean architectural finish appropriate for a high-traffic rail facility.




Amtrak Glasgow
424 1st Avenue South Glasgow, MT 59230-2396
Engineering Services, Shop & Fabrication Drawings
Box Beam Guardrails + Signage
At the Amtrak Glasgow Station in Glasgow, Montana, SD Services provided engineering services and developed shop and fabrication drawings, followed by the fabrication and installation of box beam guardrails and signage. The scope was delivered in accordance with project and safety requirements, ensuring durable performance and a consistent architectural appearance suited for an active rail facility.




Amtrak La Junta
1 West First Street La Junta, CO 81050
Engineering Services, Shop & Fabrication Drawings
Guardrails + Signage
At the Amtrak La Junta Station in La Junta, Colorado, SD Services provided engineering services and prepared shop and fabrication drawings, followed by the fabrication and installation of guardrails and signage. The work was executed to meet project specifications and safety standards, delivering durable, functional, and visually consistent elements appropriate for a public transportation facility.




Amtrak Little Rock
1400 West Markham Street, Suite 102, Little Rock, AR 72201
Engineering Services, Shop & Fabrication Drawings
Guardrails + Bollards
At the Amtrak Little Rock Station in Little Rock, Arkansas, SD Services provided engineering services and prepared shop and fabrication drawings, followed by the fabrication and installation of guardrails and bollards. The scope was completed in accordance with project and safety requirements, delivering durable, functional elements suited for a high-traffic transportation environment.




Amtrak Maysville
West Front Street & Rosemary Clooney Street Maysville, KY 41056
Engineering Services, Shop & Fabrication Drawings
Guardrails + Bollards + Signage
At the Amtrak Maysville Station in Maysville, Kentucky, SD Services provided engineering services and prepared shop and fabrication drawings, followed by the fabrication and installation of guardrails and signage. The work was delivered in alignment with project requirements and safety standards, providing durable and visually consistent elements appropriate for a public rail facility.




Amtrak Providence
100 Gaspee Street Providence, RI 02903
Engineering Services, Scan to Detail Design Services, Shop & Fabrication Drawings
Glass Guardrails + Curved Metal Panel + Signage + Footgrilles
At the Amtrak Providence Station in Providence, Rhode Island, SD Services provided engineering services, scan-to-detail design services, and comprehensive shop and fabrication drawings, followed by the fabrication and installation of glass guardrails, curved metal panels, signage, and foot grilles. The scope was executed to meet architectural, safety, and performance requirements, delivering a refined and durable solution appropriate for a major transportation hub.




Amtrak Richmond
7519 Staples Mill Road Richmond, VA 23228
Engineering Services, Scan to Detail Design Services, Shop & Fabrication Drawings
Metal Stairs + Signage + Acrylic Panel
At the Amtrak Richmond Station in Richmond, Virginia, SD Services provided engineering services, scan-to-detail design services, and prepared shop and fabrication drawings, followed by the fabrication and installation of metal stairs, signage, and acrylic panels. The scope was delivered in compliance with project and safety requirements, providing durable and well-coordinated architectural elements for an active transportation facility.




Amtrak St Cloud
555 East Saint Germain Street St. Cloud, MN 56304-0751
Engineering Services, Shop & Fabrication Drawings
Guardrails + Signage
At the Amtrak St. Cloud Station in St. Cloud, Minnesota, SD Services provided engineering services and prepared shop and fabrication drawings, followed by the fabrication and installation of guardrails and signage. The work was executed to meet project specifications and safety standards, delivering durable and visually consistent elements suitable for a public rail facility.




AISC Steel Sculptute
213 Porter Rd, Conroe, TX
Engineering Services, Shop & Fabrication Drawings
Steel Sculpture For AISC Certification
This project involved the fabrication of an AISC educational steel sculpture developed as part of the company’s AISC audit and certification process. The sculpture showcases a variety of structural steel members, connections, and fabrication techniques, serving as a hands-on educational tool for demonstrating real-world steel construction practices. The project reflects the company’s commitment to quality, precision, and industry standards.




Amtrak Tuscaloosa
2105 Greensboro Avenue Tuscaloosa, AL 35401
Engineering Services, Shop & Fabrication Drawings
Guardrails + Signage
At the Amtrak Tuscaloosa Station in Tuscaloosa, Alabama, SD Services provided engineering services and prepared shop and fabrication drawings, followed by the fabrication and installation of guardrails and signage. The scope was delivered in accordance with project requirements and safety standards, providing durable and coordinated elements suitable for a public transportation facility.




Lincoln Houses
BLH is 2142 Madison Avenue New York NY 10037
Engineering Services, Shop & Fabrication Drawings
Steel Beams + Gratings + Platforms + Stairs + Gas Meter Enclosures
At the Lincoln Houses project, SD Services provided engineering services and prepared shop and fabrication drawings for steel beams, gratings, platforms, stairs, and gas meter enclosures. The scope focused on precise detailing and coordination to support safe installation, constructability, and long-term performance within an active residential infrastructure environment.




Chicago Lake
Chicago, IL, USA
Engineering Services, Shop & Fabrication Drawings
Signage + Kiosk
At the Chicago Lake project in Chicago, Illinois, SD Services provided engineering services and prepared shop and fabrication drawings for signage and a kiosk. The scope focused on accurate detailing and coordination to support fabrication quality, constructability, and alignment with the project’s architectural and functional requirements.




Hoboken
Hudson County, NJ, USA
Engineering Services, Shop & Fabrication Drawings
Retaining Wall + Wood Signage + Guardrails
At the Hoboken project in Hudson County, New Jersey, SD Services provided engineering services and prepared shop and fabrication drawings for a retaining wall, wood signage, and guardrails. The scope emphasized accurate detailing and coordination to support structural performance, constructability, and a cohesive integration with the surrounding site and architectural context.




Kensico
1 Bronx River Parkway, Valhalla, NY 10595
Engineering Services, Scan to Detail Design Services, Shop & Fabrication Drawings
Façade System + Cornice and Coping + EyeWash Enclosure + Drainage + Roofing + Walkway + Cover Sliding Door + Louver For a Stair
At the Kensico project in Valhalla, New York, SD Services provided engineering services, scan-to-detail design services, and comprehensive shop and fabrication drawings for a complex exterior and building support scope, including a façade system, cornice and coping, eyewash enclosure, drainage, roofing, walkway, covered sliding door, and stair louver. The work focused on precise detailing and coordination to support constructability, integration across multiple systems, and alignment with architectural and functional requirements.




Northern Rehabilitation Tanks
725 W 135th St, New York, Ny 10031
Engineering Services, Shop & Fabrication Drawings
Baffle Plate + Guardrails + Platform + Weir Plate + Nonsplit Cover
At the Northern Rehabilitation Tanks project in New York, New York, SD Services provided engineering services and prepared shop and fabrication drawings for baffle plates, guardrails, platforms, weir plates, and non-split covers. The scope emphasized accurate detailing and coordination to support constructability, durability, and reliable performance within a critical infrastructure environment.




Sumner Houses
20 Lewis Avenue, Brooklyn, NY 11206
Engineering Services, Shop & Fabrication Drawings
Flue Enclosure + Guardrails + Gas Meter Enclosure
At the Sumner Houses project in Brooklyn, New York, SD Services provided engineering services and prepared shop and fabrication drawings for flue enclosures, guardrails, and gas meter enclosures. The scope focused on precise detailing and coordination to support safe installation, constructability, and long-term performance within an active residential facility.




One Journal Square
10 Journal Square Plaza, Jersey City, NJ 07306
Engineering Services, Shop & Fabrication Drawings
Handrails + Cane Rails + Signage
For the One Journal Square project in Jersey City, New Jersey, SD Services delivered engineering services and developed shop and fabrication drawings for handrails, cane rails, and signage. The work supported clear coordination across trades and ensured the systems were detailed for code compliance, constructability, and seamless integration within a large-scale mixed-use development.




Package 6 Elevators
1010 Northern Boulevard, Suite 200, Great Neck, NY 11021
Engineering Services, Shop & Fabrication Drawings
Roofing + Elevator Enclosure For 5 Stations
At the Package 6 Elevators project in Great Neck, New York, SD Services was engaged to deliver engineering support and detailed shop and fabrication drawings for roofing systems and elevator enclosures across five stations. The work emphasized clear documentation and coordinated detailing to ensure uniform construction, durability, and reliable performance across all locations.




Seven Ward Island
7 Wards Island, New York, NY 10035
Engineering Services, Shop & Fabrication Drawings
Signage
Engineering services and shop and fabrication drawings were provided by SD Services for the signage scope at Seven Ward Island (7 Wards Island, New York, NY 10035).
The work included coordinated layouts, mounting details, and fabrication-ready documentation.
Drawings were developed to align with project requirements and field conditions.
Emphasis was placed on clarity, constructability, and efficient installation sequencing.
The final deliverables enabled smooth fabrication and a consistent on-site implementation.




Evanston Animal Shelter
2310 Oakton Street, Evanston, IL 60202
Engineering Services, Shop & Fabrication Drawings
Roof Wind Screen For an Animal Shelter
Engineering services and shop and fabrication drawings were provided by SD Services for the Evanston Animal Shelter (2310 Oakton Street, Evanston, IL 60202), along with the fabrication and installation of a roof wind screen designed for the facility. The scope focused on clear, fabrication-ready detailing and coordinated documentation to align with site conditions and project requirements, supporting a durable exterior solution and a straightforward field installation.




Amtrak McComb
114 Northeast Railroad Ave. McComb, MS 39648
Engineering Services, Shop & Fabrication Drawings
Guardrails + Gate + Canopy
SD Services delivered engineering services and prepared shop and fabrication drawings for the Amtrak McComb Station project (114 Northeast Railroad Ave., McComb, MS 39648), then fabricated and installed the guardrails, gate, and canopy package. The scope was executed with coordinated detailing and fabrication-ready documentation to align with site conditions and project requirements, resulting in durable, field-ready assemblies suitable for an active rail environment.




Amtrak Syracuse
131 Alliance Bank Parkway, Syracuse, NY 13208
Shop & Fabrication Drawings
Halo Light Sign
Shop and fabrication drawings were prepared by SD Services for the Amtrak Syracuse project (131 Alliance Bank Parkway, Syracuse, NY 13208) covering a halo-lit sign package. The deliverables detailed dimensions, layout, and fabrication requirements to support clean illumination, accurate production, and a straightforward installation process aligned with project expectations.




Amtrak Columbus
359 N. Ludington St. Columbus, WI 53925
Engineering Services, Shop & Fabrication Drawings
Guardrails + 2 Small Signs
Engineering services and shop and fabrication drawings were provided by SD Services for the Amtrak Columbus project at 359 N. Ludington Street, Columbus, Wisconsin.
The scope included detailed design and documentation for guardrails and two small signage elements.
Drawings were developed with a focus on accurate dimensions and coordinated detailing.
Fabrication-ready information was prepared to support efficient production and field installation.
The final documentation ensured the elements were well-suited for long-term use in an active rail station environment.




Amtrak Denmark
200 W. Baruch Street, Denmark, SC 29042
Engineering Services, Shop & Fabrication Drawings
Guardrails + Signs
The Amtrak Denmark station project at 200 W. Baruch Street in Denmark, South Carolina included engineering services and shop and fabrication drawings prepared by SD Services for guardrails and signage. The documentation was developed to translate design intent into build-ready components, with coordinated details that reflected site conditions and project requirements. Emphasis was placed on constructability and clarity to support accurate fabrication, minimize field adjustments, and deliver durable elements suitable for an active rail environment.




Amtrak Ephrata
90 Alder Street NW, Ephrata, WA 98823
Engineering Services, Shop & Fabrication Drawings
Guardrails + Signs
The Amtrak Ephrata project at 90 Alder Street NW in Ephrata, Washington included engineering services and shop and fabrication drawings prepared by SD Services for guardrails and signage. The scope focused on developing coordinated, fabrication-ready documentation that aligned with site conditions and project requirements. Detailed layouts and connections were provided to support accurate production and a smooth installation process. The resulting package ensured the guardrails and signs were durable, functional, and appropriate for a public transportation facility.




Amtrak Palm Springs
Palm Springs, CA 92262
Engineering Services, Shop & Fabrication Drawings
Signage
The Amtrak Palm Springs project in Palm Springs, California included engineering services and shop and fabrication drawings prepared by SD Services for station signage. The scope focused on developing clear, coordinated documentation that translated design intent into fabrication-ready details. Drawings addressed layout, mounting concepts, and dimensional accuracy to support efficient production. The final package was structured to facilitate smooth installation and long-term performance in a public transportation environment.




Amtrak Rocklin
3740 Rocklin Rd, Rocklin, CA 9567
Engineering Services, Shop & Fabrication Drawings
Signage
At the Amtrak Rocklin project located at 3740 Rocklin Road in Rocklin, California, SD Services provided engineering services and prepared shop and fabrication drawings for station signage. The scope focused on clear, coordinated documentation aligned with site conditions and project requirements. Drawings were developed to support accurate fabrication, efficient installation, and consistent visual quality suitable for a public rail facility.




Pace Transportation Center
730 Kimberley, Dr. Schaumburg, IL 60173
Engineering Services, Shop & Fabrication Drawings
Signage
At the Pace Transportation Center in Schaumburg, Illinois, SD Services provided engineering services and prepared shop and fabrication drawings for facility signage. The scope focused on developing clear, coordinated documentation aligned with site conditions and project requirements. Drawings supported accurate fabrication, efficient installation, and consistent performance within an active transportation environment.




Baruch Houses
100 Columbia St, New York, NY 10002
Engineering Services, Scan to Detail Design Services, Shop & Fabrication Drawings
Canopy Enclosure & Gas Meter Enclosure + Signage + Guardrails + Fencing + Gate
The Baruch Houses project at 100 Columbia Street in New York, New York included engineering services, scan-to-detail design services, and shop and fabrication drawings prepared by SD Services. The scope covered a canopy enclosure, gas meter enclosures, signage, guardrails, fencing, and gates, all developed through coordinated and detailed documentation. Design information was translated into fabrication-ready drawings that reflected existing site conditions and installation constraints. Emphasis was placed on constructability, durability, and coordination across multiple elements to support a smooth fabrication and field execution process.



